無機布防火卷簾質量及材料要求
作者:錦宏門業
日期:2024-06-25 10:45:59
閱讀量:0
一、 外觀質量
1.
防火卷簾金屬零部件表面不應有裂紋、壓坑及明顯的凹凸、錘痕、毛刺、孔洞等缺陷。其表面應做防銹處理,涂層、鍍層應均勻,不得有斑剝、流淌現象。
2.防火卷簾無機纖維復合簾面不應有撕裂、缺角、挖補、破洞、傾斜、跳線、斷線、經緯紗密度明顯不勻及色差等缺陷;夾板應平直,夾持應牢固,基布的經向應是簾面的受力方向,簾面應美觀、平直、整潔。
3.相對運動件在切割、彎曲、沖鉆等加工處不應有毛刺。
4.各零部件的組裝、拼接處不應有錯位。焊接處應牢固,外觀應平整,不應有夾渣、漏焊、疏松等現象。
5.所有緊固件應緊牢,不應有松動現象。
二、材料要求
1.無機纖維復合防火卷簾使用的原材料應符合健康、環保的有關規定,不應使用國家明令禁止使用的材料
2.防火卷簾主要零部件使用的各種原材料應符合相應國家標準或行業標準的規定
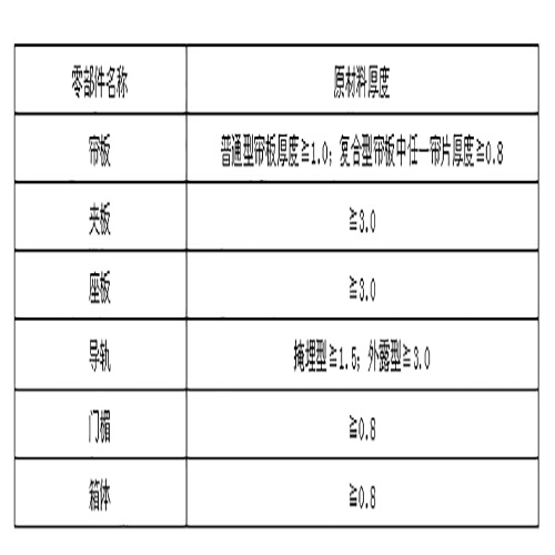
3.防火卷簾主要零部件使用的原材料厚度宜采用下表的規定

4.無機纖維復合防火卷簾簾面的裝飾布或基布應能在-20℃的條件下不發生脆裂并應保持一定的彈性;在+50℃條件下不應粘連。
5.無機纖維復合防火卷簾簾面裝飾布的燃燒性能不應低于GB 8624—1997B1級(紡織物)的要求;基布的燃燒性能不應低于GB 8624—1997A級的要求。
6.無機纖維復合防火卷簾簾面所用各類紡織物常溫下的斷裂強度經向不應低于600N/5cm,緯向不應低于300N/5cm。